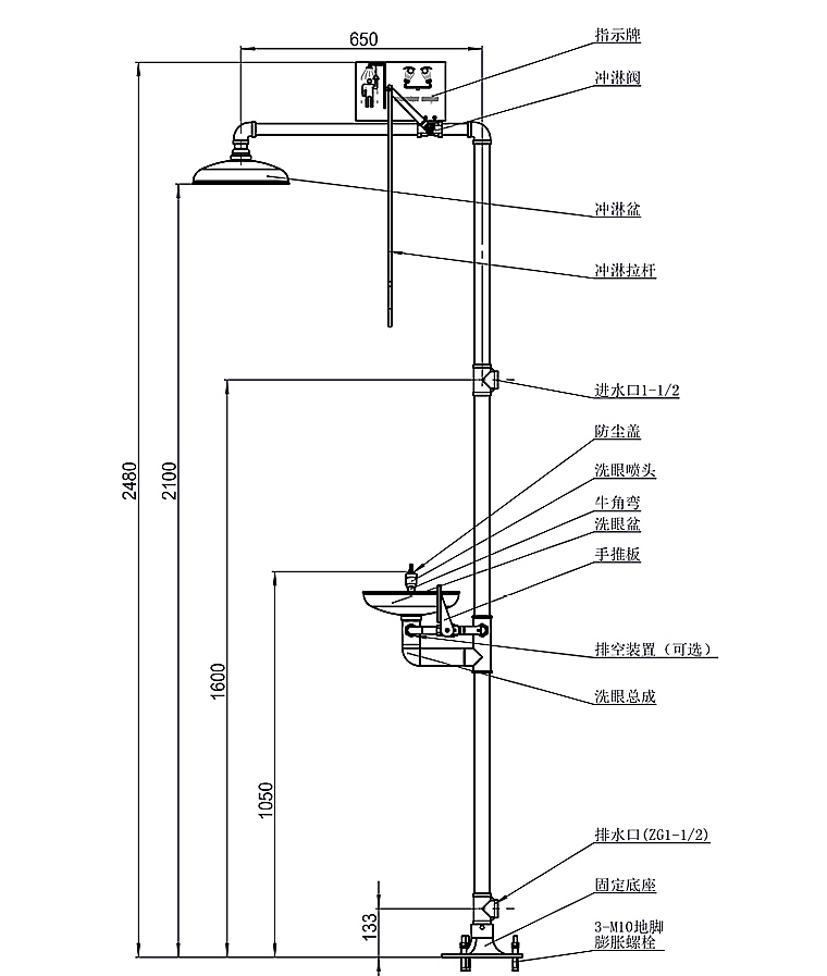
90906650 不銹鋼防塵凈化型復合式洗眼器
生產標準:參照ANSI Z358.1- 2014標準執行
產品材質:優質304不銹鋼
產品功能:緊急救護沖洗受傷害眼部、面部及身體,將傷害減輕,避免二次傷害。


安裝說明:
● 安裝前須復驗產品型號、合格證、使用說明書、裝箱清單
● 安裝位置應距事故易發地15米以內,以跑步速度10秒鐘以內能夠到達沖洗之處
● 安裝前請預先將進水管路雜質沖洗干凈
● 按圖示將各部件進行裝配,各部件螺紋連接處需纏繞密封帶(如聚四氟乙烯生料帶),分別按進、出水口管徑接通水管
● 接通進、排水管后,檢查球閥開關是否靈活到位,有無卡阻現象
● 需要準備的安裝工具:紅安洗眼器提醒您,您可能需要準備如下工具:管鉗、板牙、扳手、生料帶(或者鉛油+絲麻)、沖擊電鉆、M10沖擊電鉆鉆頭、根據您進水管道配置異徑連接,本產品進水口管道管口DN32內絲
1. 使用前,先打開進水控制閥;
2. 用手向前掀開洗眼手推柄,洗眼噴頭出水即行洗眼;
3.向下拉沖淋拉手即行沖淋。
1.開、關洗眼手推柄不要用力過猛。
2.沖洗時間需持續15分鐘以上,且每分鐘的水量達到:沖淋流量:120-180(L/min)、沖眼流量:12-18(L/min)的要求。
3.本產品在0℃以上環境使用,若0℃以下使用需進行管路防凍維護或選用防凍型號洗眼器;
4.建議在進水管路安裝進水控制閥,使用完畢,先關閉進水控制閥后,待主體內的水排完后再關閉洗眼閥門。(防凍用)
1. 只允許事故發生時應急使用,平時嚴禁作經常性淋浴和洗手用。
3. 發生事故時,受害人須根據有害物質的侵害程度進行選擇沖洗時間,期間準備應急搶救措施。
采購:90906650 不銹鋼防塵凈化型復合式洗眼器
- *聯系人:
- *手機:
- 公司名稱:
- 郵箱:
- *采購意向:
-
*驗證碼:




官方微信
官方手機網站